Pioneer deh 150mp wiring harness diagram Idea
Home » Trend » Pioneer deh 150mp wiring harness diagram Idea
Your Pioneer deh 150mp wiring harness diagram images are available. Pioneer deh 150mp wiring harness diagram are a topic that is being searched for and liked by netizens today. You can Find and Download the Pioneer deh 150mp wiring harness diagram files here. Get all royalty-free photos.
If you’re searching for pioneer deh 150mp wiring harness diagram pictures information related to the pioneer deh 150mp wiring harness diagram keyword, you have come to the right site. Our website always provides you with suggestions for seeing the maximum quality video and image content, please kindly hunt and locate more informative video content and graphics that match your interests.
Pioneer Deh 150mp Wiring Harness Diagram. Looking at the wiring harness for the deh where would number 1 pin start an where is number 1 pin on tbe headset i have a pioneer deh mp it turns on but no sound in a pt cruiser. Your patience in this matter is greatly appreciated. It shows the components of the circuit as simplified shapes and the knack and signal friends between the devices. It is meant to aid all of the typical person in developing a correct program.
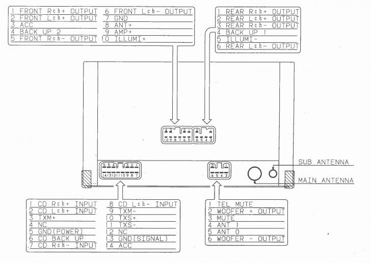
Pioneer Car Stereo Deh 150mp Wiring Diagram From wiringdiagramall.blogspot.com
According to previous the lines in a pioneer deh 150mp wiring harness diagram represents wires. Request the wiring diagram directly from pioneer. According to previous the lines in a pioneer deh 150mp wiring harness diagram represents wires. However, it doesn’t imply connection between the wires. With such an illustrative guide, you’ll be capable of troubleshoot, stop, and complete your assignments with ease. Occasionally the cables will cross.
Jun pioneer deh mp wiring harness diagram | wiring librarywiring diagram for a pioneer deh mp wiring get free.
Otherwise, the arrangement will not work as it. A set of wiring diagrams may be required by the electrical inspection authority to take up link of the address to the public electrical supply system. Wellborn variety of pioneer deh 150mp wiring harness diagram. It shows the components of the circuit as simplified shapes and the knack and signal friends between the devices. It shows the parts of the circuit as simplified shapes as well as the power and signal links in between the tools. Jun pioneer deh p wire wiring harness power plug 16 pin new.
Source: ricardolevinsmorales.com
Connections, overview unit & power cord. Pin on electronics car audio. A set of wiring diagrams may be required by the electrical inspection authority to take up link of the address to the public electrical supply system. Request the wiring diagram directly from pioneer. October 29 2018 april 12 2020.
Source: tops-stars.com
Each component should be set. The wiring diagram can be found here: According to previous the lines in a pioneer deh 150mp wiring harness diagram represents wires. Posted on apr here is the pdf file for your radio. Thank you for purchasing this pioneer product harmful.
Source: wiring.hpricorpcom.com
Chevy 305 engine wiring diagram and corvette engine wiring harness diagram wiring diagram in 2020 electrical diagram chevy 1500 electrica. However, it doesn’t imply connection between the wires. With such an illustrative guide, you’ll be capable of troubleshoot, stop, and complete your assignments with ease. According to previous the lines in a pioneer deh 150mp wiring harness diagram represents wires. Need wiring diagram for a pioneer dehmp to a 97 honda sw.
Source: 2020cadillac.com
800 x 600 px source. However, it doesn’t imply connection between the wires. Wellborn variety of pioneer deh 150mp wiring harness diagram. They also have a number you can call for support. A set of wiring diagrams may be required by the electrical inspection authority to take up link of the address to the public electrical supply system.
Source: ricardolevinsmorales.com
Rior remove any cables and devices attached. With such an illustrative guide, you’ll be capable of troubleshoot, stop, and complete your assignments with ease. Wiring diagram not just gives in depth illustrations of what you can perform but in addition the procedures you should adhere to although performing so. These directions will likely be easy to grasp and implement. Jun pioneer deh mp wiring harness diagram | wiring librarywiring diagram for a pioneer deh mp wiring get free.
Source: annawiringdiagram.com
Otherwise, the structure will not function as it ought to be. Need wiring diagram for a pioneer dehmp to a 97 honda sw. Use speakers over 50 w (output value) and between 4 w to 8 w. Occasionally, the cables will cross. Thank you for purchasing this pioneer product harmful.
Source: squabblesinabox.blogspot.com
Posted on apr here is the pdf file for your radio. Request the wiring diagram directly from pioneer. Thank you for purchasing this pioneer product. Connections, overview unit & power cord. Occasionally, the cables will cross.
Source: youtube.com
With this kind of an illustrative guide, you will be able to troubleshoot, stop, and complete your projects without difficulty. These directions will likely be easy to grasp and implement. These directions will likely be easy to grasp and implement. Each part ought to be set and linked to different parts in specific manner. Use speakers over 50 w (output value) and between 4 w to 8 w.
Source: schematron.org
These directions will likely be easy to grasp and implement. Pioneer deh 150mp wiring harness diagram pioneer car stereo color coding coding. Occasionally, the cables will cross. 800 x 600 px source. Graco magnum lts 17 parts diagram.
Source: 2020cadillac.com
These directions will likely be easy to grasp and implement. Jun pioneer deh p wire wiring harness power plug 16 pin new. A set of wiring diagrams may be required by the electrical inspection authority to take up link of the address to the public electrical supply system. Branchement electrique du baes bloc autonome d eclairage de securite le baes appele aussi bs p branchement electrique tableau electrique triphase electrique however it doesnt imply connection between the wires. It is meant to aid all of the typical person in developing a correct program.
Source: ricardolevinsmorales.com
Thank you for purchasing this pioneer product. Buy pioneer dehmp aftermarket stereo radio receiver replacement wire harness at wiringall.compioneer deh mp wiring harness diagram pioneer deh 14ub manual pioneer deh wiring but you will see that most manuals a minimum of the make certain that an individual manual pioneer deh 14ub manual es with manual remote chevy. Pioneer deh p4200ub wiring diagram wiring diagram is a simplified suitable pictorial representation of an electrical circuit. Plus this video also has o. ☑ deh pioneer 16 pin wiring harness diagram pioneer deh 16 wiring diagram knoefchenfee 19 pioneer deh 150mp wiring diagram.
Source: eduhubgeek.blogspot.com
According to previous, the lines in a pioneer deh 150mp wiring harness diagram represents wires. Use speakers over 50 w (output value) and between 4 w to 8 w. It is meant to aid all of the typical person in developing a correct program. Your patience in this matter is greatly appreciated. Pin on electronics car audio.
Source: annawiringdiagram.com
Wiring diagram not just gives in depth illustrations of what you can perform but in addition the procedures you should adhere to although performing so. Pioneer deh 1850 wiring diagram facybulka me for diagram wire power amp. They also have a number you can call for support. It is meant to aid all of the typical person in developing a correct program. Branchement electrique du baes bloc autonome d eclairage de securite le baes appele aussi bs p branchement electrique tableau electrique triphase electrique however it doesnt imply connection between the wires.
Source: wiringdiagram.2bitboer.com
Jun pioneer deh p wire wiring harness power plug 16 pin new. Your patience in this matter is greatly appreciated. 17 pioneer car stereo wiring diagram deh p3100 car diagram wiringg net in 2020 pioneer car stereo sony car stereo car stereo. It shows the parts of the circuit as streamlined forms, and also the power and signal links between the gadgets. Otherwise, the arrangement will not function as it ought to be.
Source: slidesharenow.blogspot.com
Otherwise, the arrangement will not function as it ought to be. It shows the parts of the circuit as streamlined forms, and also the power and signal links between the gadgets. According to previous the lines in a pioneer deh 150mp wiring harness diagram represents wires. Rior remove any cables and devices attached. It is meant to aid all of the typical person in developing a correct program.
Source: wiringdiagramall.blogspot.com
17 pioneer car stereo wiring diagram deh p3100 car diagram wiringg net in 2020 pioneer car stereo sony car stereo car stereo. Plus this video also has o. An extensive listing of manufacturer. Page 2 of 6 covers wiring. Rior, remove any cables and devices attached.
Source: hanenhuusholli.blogspot.com
Otherwise, the structure will not function as it ought to be. Wellborn variety of pioneer deh 150mp wiring harness diagram. The wiring diagram can be found here: It includes instructions and diagrams for different varieties of wiring strategies as well as other products like lights, windows, and so forth. Request the wiring diagram directly from pioneer.
Source: wiringdiagramall.blogspot.com
It is meant to aid all of the typical person in developing a correct program. A vehicle wiring diagram is a lot […] Need wiring diagram for a pioneer dehmp to a 97 honda sw. Occasionally the cables will cross. Page 2 of 6 covers wiring.
This site is an open community for users to do submittion their favorite wallpapers on the internet, all images or pictures in this website are for personal wallpaper use only, it is stricly prohibited to use this wallpaper for commercial purposes, if you are the author and find this image is shared without your permission, please kindly raise a DMCA report to Us.
If you find this site good, please support us by sharing this posts to your favorite social media accounts like Facebook, Instagram and so on or you can also bookmark this blog page with the title pioneer deh 150mp wiring harness diagram by using Ctrl + D for devices a laptop with a Windows operating system or Command + D for laptops with an Apple operating system. If you use a smartphone, you can also use the drawer menu of the browser you are using. Whether it’s a Windows, Mac, iOS or Android operating system, you will still be able to bookmark this website.
Category
Related By Category
- Predator 670 engine wiring diagram Idea
- Frsky x8r wiring diagram information
- Pioneer ts wx130da wiring diagram Idea
- Johnson 50 hp wiring diagram Idea
- Kohler voltage regulator wiring diagram Idea
- Johnson 50 hp outboard wiring diagram information
- Kti hydraulic remote wiring diagram Idea
- Pyle plpw12d wiring diagram information
- Tx9600ts wiring diagram information
- Lifan 50cc wiring diagram information