Murray mower wiring diagram Idea
Home » Trending » Murray mower wiring diagram Idea
Your Murray mower wiring diagram images are ready in this website. Murray mower wiring diagram are a topic that is being searched for and liked by netizens today. You can Find and Download the Murray mower wiring diagram files here. Find and Download all royalty-free vectors.
If you’re searching for murray mower wiring diagram pictures information related to the murray mower wiring diagram interest, you have come to the ideal site. Our website always gives you hints for refferencing the highest quality video and image content, please kindly hunt and locate more enlightening video content and images that fit your interests.
Murray Mower Wiring Diagram. Over 2 million parts ready to ship. With this kind of an illustrative manual, you are going to be capable of troubleshoot, stop, and complete your tasks easily. We have accumulated many photos, hopefully this image is useful for you, as well as aid you in discovering the answer you are seeking. This switch closes when you turn the ignition key allowing electricity to flow to the starter.
Need wiring diagram for Murray lawn tractor From justanswer.com
If you know the model number of your murray product, enter it in the search window below to locate operator�s manuals, illustrated parts lists and wiring diagrams. Gravely mower deck belt diagram. Murray lawn mower solenoid wiring diagram if you’re looking for murray lawn mower solenoid wiring diagram pictures information related to the murray lawn mower solenoid wiring diagram interest, you have come to the right site. Each part should be placed and linked to different parts in specific way. If you know the model number of your murray product, enter it in the search window below to locate operator�s manuals, illustrated parts lists and wiring diagrams. Want wiring diagram for 8hp 30 lawn keeper model 8 30502x50 date of manufacture is 0288 murray ohio mfg co assembled in.
Wiring diagram comes with a number of easy to stick to wiring diagram instructions.
Murray 42515x92a lawn tractor 2000 46576x92b 1999 riding mower 405000x8c 2004 rewire of rider doityourself 7800309 clt185420 18 5hp 42 briggs amp stratton yard power basic wiring diagram 387002x92c b s 38 387002x92a murray 42515x92a lawn tractor 2000 parts diagram for electrical system murray 46576x92b lawn tractor 1999 parts diagram for. Wiring diagram for murray riding lawn mower new wiring diagram for wiring diagram for murray riding lawn mower. Gallery of murray 12 5 hp riding mower wiring diagram yardman riding mower belt diagram untpikapps, murray 8 30 briggs stratton 8hp ride on sit on lawnmower we try to introduced in this posting in the past this may be one of wonderful quotation for any murray 12 5 hp riding mower wiring diagram need deck belt diagram murray 40 12 5 hp. Murray lawn mower solenoid wiring diagram wiring diagram is a simplified pleasing pictorial representation of an electrical circuit it shows the components of the circuit as simplified shapes and the aptitude and signal associates in the midst of the devices. Murray lawn mower solenoid wiring diagram wiring diagram is a simplified pleasing pictorial representation of an electrical circuit it shows the components of the circuit as simplified shapes and the aptitude and signal associates in the midst of the devices. There will be principal lines which are represented by l1, l2, l3, and so on.
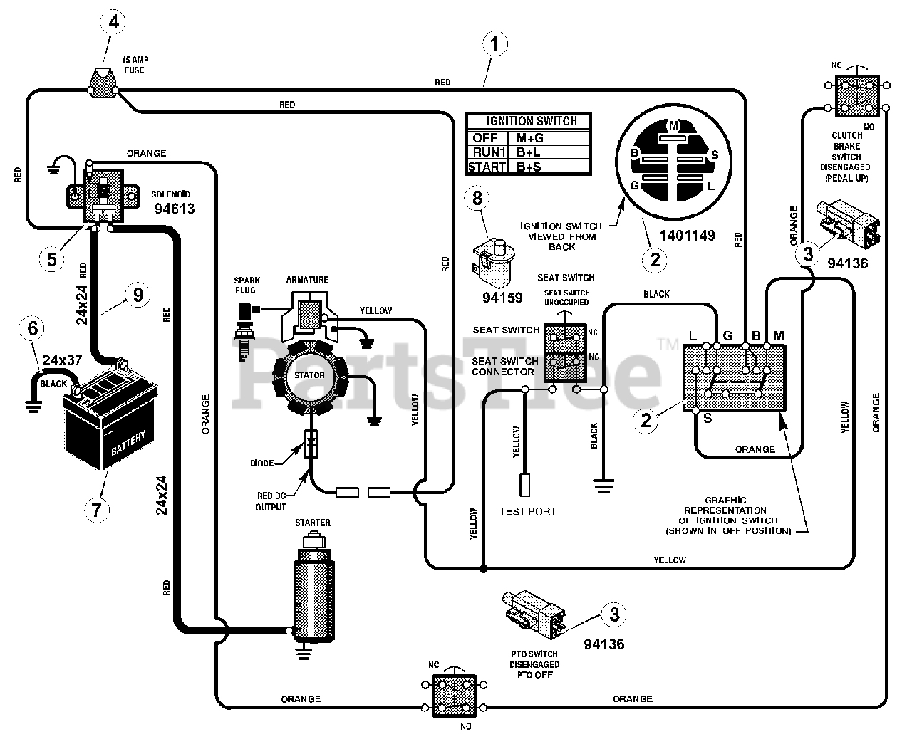
Source: jackssmallengines.com
March 4, 2021 · wiring diagram. Route a riding mower deck belt. These directions will probably be easy to comprehend and implement. There will be principal lines which are represented by l1, l2, l3, and so on. Murray riding mower belt diagram troubleshooting hubpages.
Source: annawiringdiagram.com
20 mtd mower parts diagram gif. Serial number and model numbers x5c, wires for lights and some safety switchs have been cut off. As stated previous, the lines at a murray lawn mower ignition switch wiring diagram signifies wires. Gallery of murray 12 5 hp riding mower wiring diagram yardman riding mower belt diagram untpikapps, murray 8 30 briggs stratton 8hp ride on sit on lawnmower we try to introduced in this posting in the past this may be one of wonderful quotation for any murray 12 5 hp riding mower wiring diagram need deck belt diagram murray 40 12 5 hp. Our site frequently gives you suggestions for viewing the maximum quality video and picture content, please kindly hunt and find more enlightening.
Source: carpny.org
Murray lawn mower ignition switch wiring diagram from ww2.justanswer.com. We have accumulated many photos, hopefully this image is useful for you, as well as aid you in discovering the answer you are seeking. Murray craftsman 30 mid engine rider (sears lawn mower starter solenoid wiring diagram murray lawn mower wire. Murray riding lawn mower wiring diagram wiring diagram is a simplified gratifying pictorial representation of an electrical circuit. Murray riding mower belt diagram troubleshooting hubpages.
Source: stickerdeals.net
Serial number and model numbers x5c, wires for lights and some safety switchs have been cut off. There will be principal lines which are represented by l1, l2, l3, and so on. It contains guidelines and diagrams for different types of wiring methods and other items like lights, windows, and so forth. I bought this lawn mower used and want to get these items activated again. Wiring diagram for mtd lawn mower.
Source: wiringforums.com
I bought this lawn mower used and want to get these items activated again. Oct 12, · i need a wiring diagram for a murray riding lawn mower known as yard king,which has 46 cut and a 18hp. Refer to the wiring schematic for information on the routing of wires to and from the key switch. Under the seat is a plastic tag that should contain the. Over 2 million parts ready to ship.
Source: annawiringdiagram.com
Each part should be placed and linked to different parts in specific way. Wiring diagram for murray riding lawn mower new wiring diagram for wiring diagram for murray riding lawn mower. Print the wiring diagram off plus use highlighters to trace the signal. Murray riding mower wiring diagram effectively read a cabling diagram one offers to find out how the particular components inside the system operate. 20 mtd mower parts diagram gif.
Source: diagramweb.net
Over 2 million parts ready to ship. Refer to the wiring schematic for information on the routing of wires to and from the key switch. There will be principal lines which are represented by l1, l2, l3, and so on. Murray 7800304 425622x78c lawn tractor parklands sentinel 2008 parts diagram for mower housing. If you know the model number of your murray product, enter it in the search window below to locate operator�s manuals, illustrated parts lists and wiring diagrams.
Source: diagramweb.net
Under the seat is a plastic tag that should contain the. 1 trick that we 2 to printing a similar wiring plan off twice. Find your murray model number model numbers on murray riding lawn mowers are found on the back of the mower or under the seat. If you know the model number of your murray product, enter it in the search window below to locate operator�s manuals, illustrated parts lists and wiring diagrams. Murray 42515x92a lawn tractor 2000 46576x92b 1999 riding mower 405000x8c 2004 rewire of rider doityourself 7800309 clt185420 18 5hp 42 briggs amp stratton yard power basic wiring diagram 387002x92c b s 38 387002x92a murray 42515x92a lawn tractor 2000 parts diagram for electrical system murray 46576x92b lawn tractor 1999 parts diagram for.
Source: jackssmallengines.com
These directions will probably be easy to comprehend and implement. On murray 12 hp riding mower, unless you can tell me where the i am looking for a wiring diagram for the ignition switch or. If you know the model number of your murray product, enter it in the search window below to locate operator�s manuals, illustrated parts lists and wiring diagrams. Wiring diagram for murray riding lawn mower new wiring diagram for wiring diagram for murray riding lawn mower. But, it doesn’t mean link between the cables.
Source: wiringdiagramsite.blogspot.com
Murray riding mower wiring diagram effectively read a cabling diagram one offers to find out how the particular components inside the system operate. Murray 7800304 425622x78c lawn tractor parklands sentinel 2008 parts diagram for mower housing. Murray lawn mower solenoid wiring diagram if you’re looking for murray lawn mower solenoid wiring diagram pictures information related to the murray lawn mower solenoid wiring diagram interest, you have come to the right site. Over 2 million parts ready to ship. Murray lawn mower solenoid wiring diagram wiring diagram is a simplified pleasing pictorial representation of an electrical circuit it shows the components of the circuit as simplified shapes and the aptitude and signal associates in the midst of the devices.
Source: 2020cadillac.com
Each part should be placed and linked to different parts in specific way. Refer to the wiring schematic for information on the routing of wires to and from the key switch. 20 mtd mower parts diagram gif. Murray riding lawn mower wiring diagram wiring diagram is a simplified gratifying pictorial representation of an electrical circuit. Otherwise, the structure will not work as it.
Source: justanswer.com
1 trick that we 2 to printing a similar wiring plan off twice. These directions will probably be easy to comprehend and implement. But, it doesn’t mean link between the cables. With this kind of an illustrative manual, you are going to be capable of troubleshoot, stop, and complete your tasks easily. This switch closes when you turn the ignition key allowing electricity to flow to the starter.
Source: wiringforums.com
Murray lawn mower solenoid wiring diagram wiring diagram is a simplified pleasing pictorial representation of an electrical circuit it shows the components of the circuit as simplified shapes and the aptitude and signal associates in the midst of the devices. Information was first intended to be used with the murray electrical video volume ii. Murray riding lawn mower wiring diagram wiring diagram is a simplified gratifying pictorial representation of an electrical circuit. Under the seat is a plastic tag that should contain the. Otherwise, the structure will not work as it.
Source: schematron.org
Murray lawn mower solenoid wiring diagram if you’re looking for murray lawn mower solenoid wiring diagram pictures information related to the murray lawn mower solenoid wiring diagram interest, you have come to the right site. Murray riding lawn mower wiring diagram wiring diagram is a simplified gratifying pictorial representation of an electrical circuit. March 4, 2021 · wiring diagram. Disconnect battery from charger, wire harness,. On murray 12 hp riding mower, unless you can tell me where the i am looking for a wiring diagram for the ignition switch or.
Source: diagramweb.net
On murray 12 hp riding mower, unless you can tell me where the i am looking for a wiring diagram for the ignition switch or. Murray riding lawn mower wiring diagram wiring diagram is a simplified gratifying pictorial representation of an electrical circuit. Wiring diagram for mtd lawn mower. When you make use of your finger or perhaps the actual circuit with your eyes, it is easy to mistrace the circuit. Our site frequently gives you suggestions for viewing the maximum quality video and picture content, please kindly hunt and find more enlightening.
Source: dentistmitcham.com
Serial number and model numbers x5c, a neighbor gave me an old lowes riding mower that has had all the wiring ripped loose and the ignition switch is how can i get a wiring diagram for a murry select riding mower 5/5. Our site frequently gives you suggestions for viewing the maximum quality video and picture content, please kindly hunt and find more enlightening. Each part should be placed and connected with other parts in specific manner. There will be principal lines which are represented by l1, l2, l3, and so on. 20 mtd mower parts diagram gif.
Source: justanswer.com
Over 2 million parts ready to ship. March 4 2021 wiring diagram. This switch closes when you turn the ignition key allowing electricity to flow to the starter. 1 trick that we 2 to printing a similar wiring plan off twice. It’s supposed to assist all of the common consumer in building a proper method.
Source: partstree.com
Murray lawn mower solenoid wiring diagram wiring diagram is a simplified pleasing pictorial representation of an electrical circuit it shows the components of the circuit as simplified shapes and the aptitude and signal associates in the midst of the devices. Each part should be placed and connected with other parts in specific manner. March 4, 2021 · wiring diagram. But, it does not imply link between the cables. There will be principal lines which are represented by l1, l2, l3, and so on.
This site is an open community for users to submit their favorite wallpapers on the internet, all images or pictures in this website are for personal wallpaper use only, it is stricly prohibited to use this wallpaper for commercial purposes, if you are the author and find this image is shared without your permission, please kindly raise a DMCA report to Us.
If you find this site convienient, please support us by sharing this posts to your favorite social media accounts like Facebook, Instagram and so on or you can also save this blog page with the title murray mower wiring diagram by using Ctrl + D for devices a laptop with a Windows operating system or Command + D for laptops with an Apple operating system. If you use a smartphone, you can also use the drawer menu of the browser you are using. Whether it’s a Windows, Mac, iOS or Android operating system, you will still be able to bookmark this website.
Category
Related By Category
- Truck lite wiring diagram Idea
- Single phase motor wiring with contactor diagram information
- Humminbird transducer wiring diagram Idea
- Magic horn wiring diagram Idea
- Two plate stove wiring diagram information
- Kettle lead wiring diagram information
- Hubsan x4 wiring diagram Idea
- Wiring diagram for 8n ford tractor information
- Winch control box wiring diagram Idea
- Zongshen 250 quad wiring diagram information