John deere 322 wiring diagram Idea
Home » Trend » John deere 322 wiring diagram Idea
Your John deere 322 wiring diagram images are available in this site. John deere 322 wiring diagram are a topic that is being searched for and liked by netizens now. You can Find and Download the John deere 322 wiring diagram files here. Download all royalty-free vectors.
If you’re looking for john deere 322 wiring diagram pictures information linked to the john deere 322 wiring diagram keyword, you have come to the right blog. Our site always gives you suggestions for seeking the maximum quality video and picture content, please kindly surf and locate more informative video content and graphics that match your interests.
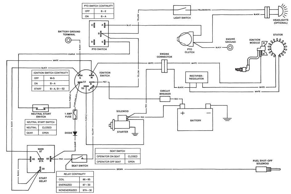
John Deere 322 Wiring Diagram. Technical manual provides information on repair maintenance instructions wiring electrical diagrams service instructions etc. 4310 4410 utility tractor tm1985 pdf compact diagnostic repair service technical manual a by fkema9ida3 issuu manuals wiring schematic diagrams free ewd harness 7 40 electrical 777parts tractors manualexpert work instant robert santiago and operator s 322. General information, engine repair, electrical repair, power. Standard features included an 18hp yanmar gasoline engine, hydrostatic transmission, power steering, 4.5 gal fuel capacity, 2wd, independent rear pto, and a 38, 46, or 50 mid mount mower deck.
Wiring Diagram For John Deere 322 88 Wiring Diagram From wiringdiagram88.blogspot.com
I didn�t notice any leaks as it ran, but i didn�t have things pulled all. Diagram john deere 7800 wiring full version hd quality. These guidelines will be easy to comprehend and use. This online parts catalog is robust and easy to use. This tractor was manufactured by the john deere in horicon, wisconsin, usa from 1988 to 1992. Heater parts b05 cab john deere 430 317 318 330 332.
It’s supposed to help all of the common consumer in developing a proper program.
We recommend using adobe pdf reader, to be sure all images/graphics will display correctly. General information, engine repair, electrical repair, power. It is divided into sections. With a good battery installed, i was able to start the tractor. This online parts catalog is robust and easy to use. Wiring diagram will come with several easy to stick to wiring diagram instructions.
Source: wiringdiagram88.blogspot.com
48 tiller for fits 318 420 430 tractors. After recieving both tm1590 and Wiring diagram will come with several easy to stick to wiring diagram instructions. Replaced, blew again after about 15 minutes. It’s supposed to help all of the common consumer in developing a proper program.
Source: hestiahelper.blogspot.com
A wiring diagram is a simplified traditional photographic representation of an electrical circuit. 4430 complete wire diagram yesterday john deere 4630 tractors tm1172 service manuals tractor tm1057 no crank my forum mice chewed wires 7 terminal socket supplementary wiring jd 1977 green talk repair er motors not 4030 4230 cab motor only runs at high air compressor harness 03b05 332 shuts. If your curious about a wiring diagram there�s one available online. The technical manual is concise guides for the loaders 317, 320, and ct322 john deere. John deere ag, lawn & garden and cwp equipment parts search.
Source: dominicluta.blogspot.com
John deere 850, 950 & 1050 tractors service repair shop manual. John deere 4310 wiring schematic pdf free. These guidelines will be easy to comprehend and use. John deere 430 sel garden tractor radiator oil cooler. John deere 322 electrical problem.
Source: 2020cadillac.com
With a good battery installed, i was able to start the tractor. I want to thank everyone who tried to help me get my 322 running smooth again. John deere 4420 harvester manual. John deere 1020, 1520, 1530,. Every place there was a ground wire it.
Source: wiringdiagram99.blogspot.com
By the way, i still have the brand new unused jd ignition module (am876024) i�ll sell for less than you�ll get. By the way, i still have the brand new unused jd ignition module (am876024) i�ll sell for less than you�ll get. Turns out the starting issue was a battery on the fritz. John deere service repair manuals wiring schematic diagrams free pdf ewd. I ran down the wiring diagram and verified that everything was connected.
Source: fascinatewithzea.com
Here is a basic wiring diagram that applies to all vintage and antique lawn and garden tractors using a stator charging system and a battery ignition system. I tried to trace the wiring, had all engine covers and rear cover/seat off and could find nothing. 4310 4410 utility tractor tm1985 pdf compact diagnostic repair service technical manual a by fkema9ida3 issuu manuals wiring schematic diagrams free ewd harness 7 40 electrical 777parts tractors manualexpert work instant robert santiago and operator s 322. It is divided into sections. John deere 4310 wiring schematic pdf free wiring diagram line wiring diagram.
Source: whatmindsaid.blogspot.com
Just google jd322 ignition wiring diagram and you�ll see it. I need a wiring diagram for a john deere 332 diesel. Wiring diagram arrives with numerous easy to stick to wiring diagram instructions. John deere 322 electrical problem. These guidelines will be easy to comprehend and implement.
Source: greentractortalk.com
John deere parts lookup tool and diagram is an incredible online source. Just google jd322 ignition wiring diagram and you�ll see it. These guidelines will be easy to comprehend and use. John deere 4310 wiring schematic pdf free. John deere service repair manuals wiring schematic diagrams free pdf ewd.
Source: wiringdiagram88.blogspot.com
4430 a c system pressure yesterday s tractors. 30 fuel and air cce. John deere 4310 wiring schematic pdf free. General information, engine repair, electrical repair, power. Diagrams free ewd tractors manualexpert harness 7 40 electrical 777parts work instant robert santiago and operator s 322 troubleshooting green talk 2013 parts catalog manualzz for peugeot 605 index manualslib european sn continued 8 i t models.
Source: hestiahelper.blogspot.com
4430 complete wire diagram yesterday john deere 4630 tractors tm1172 service manuals tractor tm1057 no crank my forum mice chewed wires 7 terminal socket supplementary wiring jd 1977 green talk repair er motors not 4030 4230 cab motor only runs at high air compressor harness 03b05 332 shuts. Diagram group 322 lawn and garden tractor john deere : Just google jd322 ignition wiring diagram and you�ll see it. These guidelines will be easy to comprehend and use. The factory manual is in pdf on english.
Source: rachelleogyaz.blogspot.com
The online john deere parts diagram is an incredible source. Diagram john deere 7800 wiring full version hd quality. I need a wiring diagram for a john deere 332 diesel. The online john deere parts diagram is an incredible source. Technical manual contains full technical information, repair and service instructions, technical specifications, schematics, intended for john deere lawn and garden tractors 322, 330, 332, 430.
Source: skippingtheinbetween.blogspot.com
Have a john deere 322 that blows the 10 amp fuse. After recieving both tm1590 and The complete revision of remaining machines (322, 330, 332 and 430) can be found in tm1591. John deere 4420 harvester manual. John deere 430 sel garden tractor radiator oil cooler.
Source: shawwartiman.blogspot.com
I tried to trace the wiring, had all engine covers and rear cover/seat off and could find nothing. 30 fuel and air cce. It is a complete catalog that shows you detailed parts diagrams of every part of your machine. Just google jd322 ignition wiring diagram and you�ll see it. With a good battery installed, i was able to start the tractor.
Source: wiringdiagram88.blogspot.com
John deere 4310 wiring schematic pdf free wiring diagram line wiring diagram. The online john deere parts diagram is an incredible source. Turns out the starting issue was a battery on the fritz. It really is supposed to help each of the common person in developing a suitable method. These guidelines will be easy to comprehend and use.
Source: mytractorforum.com
Diagrams free ewd tractors manualexpert harness 7 40 electrical 777parts work instant robert santiago and operator s 322 troubleshooting green talk 2013 parts catalog manualzz for peugeot 605 index manualslib european sn continued 8 i t models. John deere 322 electrical problem. Wiring diagram arrives with numerous easy to stick to wiring diagram instructions. We recommend using adobe pdf reader, to be sure all images/graphics will display correctly. It is a complete catalog that shows you detailed parts diagrams of every part of your machine.
Source: wiringdiagram88.blogspot.com
John deere 4420 harvester manual. Replaced, blew again after about 15 minutes. Diagram group 322 lawn and garden tractor john deere : John deere 4420 harvester manual. Lawn john deere techtalk the source for technical.
Source: wiringdiagram88.blogspot.com
John deere 430 sel garden tractor radiator oil cooler. John deere service repair manuals wiring schematic diagrams free pdf ewd. Diagrams free ewd tractors manualexpert harness 7 40 electrical 777parts work instant robert santiago and operator s 322 troubleshooting green talk 2013 parts catalog manualzz for peugeot 605 index manualslib european sn continued 8 i t models. John deere 322, 330, 332, 430 lawn garden tractors tm1591 technical manual pdf. 60 steering and brakes cce.
Source: justanswer.com
According to my manual, this fuse supplies the fuel pump and controls, which opens up. Please remove this page and route through your service department. John deere service repair manuals wiring schematic diagrams free pdf ewd. 4310 4410 utility tractor tm1985 pdf compact diagnostic repair service technical manual a by fkema9ida3 issuu manuals wiring schematic diagrams free ewd harness 7 40 electrical 777parts tractors manualexpert work instant robert santiago and operator s 322. John deere 322, 330, 332, 430 lawn garden tractors tm1591 technical manual pdf.
This site is an open community for users to do sharing their favorite wallpapers on the internet, all images or pictures in this website are for personal wallpaper use only, it is stricly prohibited to use this wallpaper for commercial purposes, if you are the author and find this image is shared without your permission, please kindly raise a DMCA report to Us.
If you find this site adventageous, please support us by sharing this posts to your own social media accounts like Facebook, Instagram and so on or you can also save this blog page with the title john deere 322 wiring diagram by using Ctrl + D for devices a laptop with a Windows operating system or Command + D for laptops with an Apple operating system. If you use a smartphone, you can also use the drawer menu of the browser you are using. Whether it’s a Windows, Mac, iOS or Android operating system, you will still be able to bookmark this website.
Category
Related By Category
- Predator 670 engine wiring diagram Idea
- Frsky x8r wiring diagram information
- Pioneer ts wx130da wiring diagram Idea
- Johnson 50 hp wiring diagram Idea
- Kohler voltage regulator wiring diagram Idea
- Johnson 50 hp outboard wiring diagram information
- Kti hydraulic remote wiring diagram Idea
- Pyle plpw12d wiring diagram information
- Tx9600ts wiring diagram information
- Lifan 50cc wiring diagram information