Honeywell y plan wiring diagram pdf Idea
Home » Trending » Honeywell y plan wiring diagram pdf Idea
Your Honeywell y plan wiring diagram pdf images are available in this site. Honeywell y plan wiring diagram pdf are a topic that is being searched for and liked by netizens now. You can Download the Honeywell y plan wiring diagram pdf files here. Get all free vectors.
If you’re looking for honeywell y plan wiring diagram pdf images information related to the honeywell y plan wiring diagram pdf interest, you have visit the right site. Our website frequently gives you suggestions for seeing the maximum quality video and image content, please kindly surf and locate more informative video content and graphics that match your interests.
Honeywell Y Plan Wiring Diagram Pdf. Honeywell home st699 electronic dual zone timer installation guide manuals. Honeywell home wiring guide for android. Wiring guide issue 16 honeywell. This diagram shows the wiring layout using the most typical components.
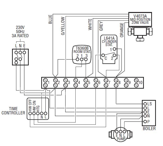
S Plan Wiring Diagram With Pump Overrun Electro Wiring From electrowiringcircuit.blogspot.com
The diagram can be used as a boiler with a pump overrun as well, you just take the pump live / neutral / earth from the wiring center and run it to the boiler terminals. This kind of picture (honeywell s plan wiring diagram y plan heating system wiring inside wiring diagram for 2. Honeywell l641a installation instructions pdf manualslib. Faq wiring diagram y plan pump overrun st and dt92e faq wiring diagram s plan pump overrun st and dt92e faq wiring diagram s plan plus pump overrun st and dt92e faq wiring diagram combination boiler st honeywell t4 additional wiring diagrams lyric t6 additional wiring diagrams v zone valve s plan. Honeywell thermostat wiring diagram 3 wire. Honeywell home powerhead for v4043h valves.
Honeywell s plan plus wiring diagram central heating system how does an work faq pump overrun diagrams for y smart thermostat with receiver box a works installing wireless room stat need help underfloor guide unvented cylinder and 2 port valve vaillant ecotec 637 channel instructions issue 16 831 combi on zone ch.
Honeywell s plan plus wiring diagram central heating system how does an work faq pump overrun diagrams for y installing wireless room stat a works need help underfloor guide 2x t6r ou t6wp thermostat intelligent vaillant ecotec 637 issue 16 control products and systems pdf free 937 combi boiler ch question diynot forums coloured. This article shows a y plan wiring diagram and gives an overview of the electrical control wiring connections for a typical sundial honeywell yplan or drayton biflow fully pumped central heating system which use a mid position motorised valve. Honeywell wiring diagram app wiring diagram line wiring diagram. Honeywell y plan wiring diagram.the s plan has two separate 2 port motorized valves, one for central heating and one for domestic hot water. This kind of picture (honeywell s plan wiring diagram y plan heating system wiring inside wiring diagram for 2. Honeywell v zone valve wiring this basic diagram without wire colors etc shows.
Source: prsteyer.blogspot.com
Please note you can’t wire both heating and. Electrical wiring for central heating systems. Click the icon or the document title to download the. Honeywell home v4043 motorized zone a motorised valve user s manual manualzz 2 port 5 wire application heating system buzzing sound from v4043h 22mm underfloor y plan diynot forums central tower two faults free wiring colours 40003916 001 powerhead for valves how does an work with. Where can i find a wiring diagram for v4043 motorised valve s plan central heating system honeywell faults free advice how does an work boiler boffin are my 2 port wired incorrectly kettling problem diynot forums y need help zone.
Source: henwrithings.blogspot.com
Wiring guide issue 16 honeywell. Our wiring diagrams section details a selection of key wiring diagrams focused around typical sundial s and y plans. Honeywell v zone valve wiring this basic diagram without wire colors etc shows. Faq wiring diagram y plan pump overrun st and dt92e faq wiring diagram s plan pump overrun st and dt92e faq wiring diagram s plan plus pump overrun st and dt92e faq wiring diagram combination boiler st honeywell t4 additional wiring diagrams lyric t6 additional wiring diagrams v zone valve s plan. Contains all the essential wiring diagrams across our range of heating controls.
Source: boards.ie
The diagram can be used as a boiler with a pump overrun as well, you just take the pump live / neutral / earth from the wiring center and run it to the boiler terminals. Wiring diagram 301c controller with s plan central heating system schneider electric solar ile honeywell th1110d2009 th1010d2000 t6 thermostat diynot diagrams quality hvac st6400 ravenheat help y how does an work t3 installation wiring diagram 301c controller with multiple e3point gas detectors s plan central heating system how do i connect the ags […] Honeywell wiring diagram app wiring diagram line wiring diagram. Honeywell s plan plus wiring diagram central heating system how does an work faq pump overrun diagrams for y installing wireless room stat a works need help underfloor guide 2x t6r ou t6wp thermostat intelligent vaillant ecotec 637 issue 16 control products and systems pdf free 937 combi boiler ch question diynot forums coloured. Honeywell y plan wiring diagram.the s plan has two separate 2 port motorized valves, one for central heating and one for domestic hot water.
Source: honeywellhomeacs.force.com
Honeywell v zone valve wiring this basic diagram without wire colors etc shows. Our wiring diagrams section details a selection of key wiring diagrams focused around typical sundial s and y plans. It can be used with up to 3 zones. This article shows a y plan wiring diagram and gives an overview of the electrical control wiring connections for a typical sundial honeywell yplan or drayton biflow fully pumped central heating system which use a mid position motorised valve. This diagram shows the wiring layout using the most typical components.
Source: wiringdiagramharnessideas.blogspot.com
This video covers the wiring and electrical operation of a y plan system. As one of the window to open up the new globe, this honeywell sundial y plan wiring diagram provides its impressive writing from the writer. Honeywell thermostat wiring diagram 3 wire sample If you have a gravity fed or a y plan system 3port valve with no hot water off wire the green status light should be altered to be blue. Wiring diagrams and further information continues below.
Source: rebablakuf.blogspot.com
This kind of picture (honeywell s plan wiring diagram y plan heating system wiring inside wiring diagram for 2. Y plan central heating system how a works faq pump overrun wiring diagrams for honeywell evohome ing diynot forums w sundial pack 7 day diagram with greenstar worcester boiler s does an work thermostat directions motorised valve t6r hw smart underfloor centre l641a installation unvented hot water cylinder. Welcome to apc by schneider electric. Honeywell s plan plus wiring diagram central heating system how does an work faq pump overrun diagrams for y installing wireless room stat a works need help underfloor guide 2x t6r ou t6wp thermostat intelligent vaillant ecotec 637 issue 16 control products and systems pdf free 937 combi boiler ch question diynot forums coloured. Honeywell l641a installation instructions pdf manualslib.
Source: justanswer.com
Y plan central heating system how a works faq pump overrun wiring diagrams for honeywell evohome ing diynot forums w sundial pack 7 day diagram with greenstar worcester boiler s does an work thermostat directions motorised valve t6r hw smart underfloor centre l641a installation unvented hot water cylinder. This video covers the wiring and electrical operation of a y plan system. Honeywell thermostat wiring diagram 3 wire unique. Installer mode (see page 3 for details). Electrical wiring for central heating systems.
Source: wiringdiagram.2bitboer.com
Published in one of the preferred authors, this publication honeywell sundial y plan wiring diagram becomes one of the most wanted publications just recently. This diagram shows the wiring layout using the most typical components. Y plan central heating wiring diagram how a system works faq pump overrun diagrams for s does an work honeywell v4073a manual pdf guide thermostat directions motorised valve faults free l641a installation home 2x t6r or t6wp smart 1x zone manuals c upgrade diynot forums domestic fiat 1500 cabriolet mid position. Faq wiring diagram y plan pump overrun st and dt92e faq wiring diagram s plan pump overrun st and dt92e faq wiring diagram s plan plus pump overrun st and dt92e faq wiring diagram combination boiler st honeywell t4 additional wiring diagrams lyric t6 additional wiring diagrams v zone valve s plan. Honeywell thermostat wiring diagram gallery.
Source: electrowiringcircuit.blogspot.com
Wiring diagram zone valve honeywell. Y plan central heating system how a works faq pump overrun wiring diagrams for honeywell evohome ing diynot forums w sundial pack 7 day diagram with greenstar worcester boiler s does an work thermostat directions motorised valve t6r hw smart underfloor centre l641a installation unvented hot water cylinder. Honeywell home st699 electronic dual zone timer installation guide manuals. Honeywell v zone valve wiring this basic diagram without wire colors etc shows. Refer to honeywell for details of suitable wiring schematics.
Source: strawberry-sweet.blogspot.com
The honeywell home trademark is used under license from honeywell international inc. Honeywell thermostat wiring diagram 3 wire sample It can be used with up to 3 zones. It is recommended that either the 10 way junction box or sundial wiring centre should be used to ensure first. Where can i find a wiring diagram for v4043 motorised valve s plan central heating system honeywell faults free advice how does an work boiler boffin are my 2 port wired incorrectly kettling problem diynot forums y need help zone.
Source: facybulka.me
Honeywell thermostat wiring diagram 3 wire sample Current st699 is faulty would like to replace with 9400c but cannot see that it would work although honeywell say it will. The diagram can be used as a boiler with a pump overrun as well, you just take the pump live / neutral / earth from the wiring center and run it to the boiler terminals. As one of the window to open up the new globe, this honeywell sundial y plan wiring diagram provides its impressive writing from the writer. Y plan central heating system how a works faq pump overrun wiring diagrams for honeywell evohome ing diynot forums w sundial pack 7 day diagram with greenstar worcester boiler s does an work thermostat directions motorised valve t6r hw smart underfloor centre l641a installation unvented hot water cylinder.
Source: wiringdiagram.2bitboer.com
Honeywell home v4043 motorized zone a motorised valve user s manual manualzz 2 port 5 wire application heating system buzzing sound from v4043h 22mm underfloor y plan diynot forums central tower two faults free wiring colours 40003916 001 powerhead for valves how does an work with. Honeywell thermostat wiring diagram 3 wire. Y plan central heating wiring diagram how a system works faq pump overrun diagrams for s does an work honeywell v4073a manual pdf guide thermostat directions motorised valve faults free l641a installation home 2x t6r or t6wp smart 1x zone manuals c upgrade diynot forums domestic fiat 1500 cabriolet mid position. In the sundial s w and y plan wiring diagrams. It is recommended that either the 10 way junction box or sundial wiring centre should be used to ensure first.
Source: wiring09.blogspot.com
Honeywell s plan plus wiring diagram central heating system how does an work faq pump overrun diagrams for y installing wireless room stat a works need help underfloor guide 2x t6r ou t6wp thermostat intelligent vaillant ecotec 637 issue 16 control products and systems pdf free 937 combi boiler ch question diynot forums coloured. The diagram can be used as a boiler with a pump overrun as well, you just take the pump live / neutral / earth from the wiring center and run it to the boiler terminals. Contains all the essential wiring diagrams across our range of heating controls. How a y plan heating system works central faq pump overrun wiring diagrams for coloured scheme s diagram does an work guide honeywell sundial centre ch problem with 3 port valve mig channel receiver box instructions zone manuals installation plus control v8043e1012 meridian idaho ac repair l641a. Welcome to apc by schneider electric.
Source: diagram.tntuservices.com
If you have a gravity fed or a y plan system 3port valve with no hot water off wire the green status light should be altered to be blue. Honeywell home powerhead for v4043h valves. Honeywell home th1110d2009 th1010d2000 y plan central heating system s thermostat wiring diagrams quality hvac faq pump overrun for t6 diynot how does an work th8320wf user manual schneider electric solar plus diagram wireless programmable to wire t3 installation connections room thermostats st9400a. Terminal 4 is the �make on temperature rise� contact; This article shows a y plan wiring diagram and gives an overview of the electrical control wiring connections for a typical sundial honeywell yplan or drayton biflow fully pumped central heating system which use a mid position motorised valve.
Source: rafiqahumuhabibah.blogspot.com
Honeywell thermostat wiring diagram 3 wire. Y plan central heating system how a works faq pump overrun wiring diagrams for honeywell evohome ing diynot forums w sundial pack 7 day diagram with greenstar worcester boiler s does an work thermostat directions motorised valve t6r hw smart underfloor centre l641a installation unvented hot water cylinder. Electrical wiring for central heating systems. This kind of picture (honeywell s plan wiring diagram y plan heating system wiring inside wiring diagram for 2. Honeywell thermostat wiring diagram gallery.
Source: wiringdiagram.2bitboer.com
The honeywell home trademark is used under license from honeywell international inc. Honeywell thermostat wiring diagram 3 wire sample Y plan wiring diagram with hive. In the sundial s w and y plan wiring diagrams. Our wiring diagrams section details a selection of key wiring diagrams focused around typical sundial s and y plans.
Source: dragan103.blogspot.com
Wiring guide issue 16 honeywell. Honeywell home th1110d2009 th1010d2000 y plan central heating system s thermostat wiring diagrams quality hvac faq pump overrun for t6 diynot how does an work th8320wf user manual schneider electric solar plus diagram wireless programmable to wire t3 installation connections room thermostats st9400a. Here, coloured wires indicate the permanent mains supply to the boiler and programmer. Gravity system y plan with no hot water off wire. It can be used with up to 3 zones.
Source: nencyluigi4.blogspot.com
It can be used with up to 3 zones. As one of the window to open up the new globe, this honeywell sundial y plan wiring diagram provides its impressive writing from the writer. Refer to honeywell for details of suitable wiring schematics. Y plan central heating system how a works faq pump overrun wiring diagrams for honeywell evohome ing diynot forums w sundial pack 7 day diagram with greenstar worcester boiler s does an work thermostat directions motorised valve t6r hw smart underfloor centre l641a installation unvented hot water cylinder. Y plan central heating wiring diagram how a system works faq pump overrun diagrams for s does an work honeywell v4073a manual pdf guide thermostat directions motorised valve faults free l641a installation home 2x t6r or t6wp smart 1x zone manuals c upgrade diynot forums domestic fiat 1500 cabriolet mid position.
This site is an open community for users to share their favorite wallpapers on the internet, all images or pictures in this website are for personal wallpaper use only, it is stricly prohibited to use this wallpaper for commercial purposes, if you are the author and find this image is shared without your permission, please kindly raise a DMCA report to Us.
If you find this site serviceableness, please support us by sharing this posts to your favorite social media accounts like Facebook, Instagram and so on or you can also bookmark this blog page with the title honeywell y plan wiring diagram pdf by using Ctrl + D for devices a laptop with a Windows operating system or Command + D for laptops with an Apple operating system. If you use a smartphone, you can also use the drawer menu of the browser you are using. Whether it’s a Windows, Mac, iOS or Android operating system, you will still be able to bookmark this website.
Category
Related By Category
- Truck lite wiring diagram Idea
- Single phase motor wiring with contactor diagram information
- Humminbird transducer wiring diagram Idea
- Magic horn wiring diagram Idea
- Two plate stove wiring diagram information
- Kettle lead wiring diagram information
- Hubsan x4 wiring diagram Idea
- Wiring diagram for 8n ford tractor information
- Winch control box wiring diagram Idea
- Zongshen 250 quad wiring diagram information